3. - CONVERTITORE DAC 0800

3.1. - Descrizione generale

Il DAC 0800 è un convertitore ad 8 bit ad alta velocità che fornisce in uscita una corrente proporzionale al valore digitale di ingresso e alla tensione di riferimento (cioè può anche essere usato come DAC moltiplicatore).

Il seguente schema a blocchi mostra la struttura interna del DAC 0800.

La struttura è quella di una scala R-2R invertita. Il funzionamento è il seguente.

Iniettando una corrente di riferimento IREF (che fisserà la corrente IFS di fondo scala desiderata in uscita) nel terminale VREF(+), l'operazionale interno fissa la tensione di base e le correnti dei transistori disposti secondo una struttura a specchio di corrente (uno specchio di corrente è una struttura integrata che converte la corrente applicata al suo ingresso in una corrente assorbita che sta in un preciso rapporto con la prima). Le correnti di emettitore degli 8 transistori connessi ai deviatori, a causa della rete resistiva R-2R, sono proporzionali al peso binario dei corrispondenti bit di ingresso e valgono, rispettivamente,

.

La corrente di collettore di ciascun transistore viene fornita, attraverso i deviatori analogici controllati dai bit d'ingresso, dall'uscita oppure dall'uscita complementare . I deviatori sono collegati ad un'opportuna circuiteria comprendente buffer e traslatori di livello che consentono il necessario adattamento elettrico fra gli ingressi del convertitore e gli ingressi di controllo dei deviatori stessi. La figura seguente mostra le modalità di interfacciamento delle diverse famiglie logiche agendo sul pin 1 (VLC).

Per i circuiti provati verrà posto il pin 1 (VLC) a massa, in quanto piloteranno gli interruttori elettronici interni con segnale TTL.

Le uscite e possono essere collegate ad un operazionale o possono direttamente pilotare carichi resistivi.

In figura è rappresentata la connessione base per l'impiego di una tensione di riferimento positiva.

Il pin 14, connesso internamente all'ingresso non invertente dell'amplificatore operazionale, è collegato tramite un resistore RREF ad una tensione di riferimento VREF+. Viene così determinata la corrente che fissa il valore della corrente di fondo scala IFS:

Una volta fissata la corrente IFS, per qualunque combinazione degli ingressi, risulta:

Il circuito riportato è adatto a funzionamento con logica di ingresso TTL, essendo a massa il pin 1 (VLC). Con i valori riportati in figura, si ha:

Il terminale 15 (-VREF) è connesso a massa attraverso il resistore R15, inserito per compensare l'effetto della corrente di polarizzazione d'ingresso. Il pin 16 (compensazione) viene collegato a - Vcc mediante un condensatore Cc = 0,01m F di compensazione. Le alimentazioni sono by-passate a massa da due condensatori di 0,1m F.

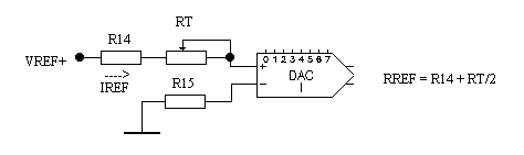
La corrente di riferimento IREF può essere scelta di valore compreso tra 0,2 e 5mA. Al fine di avere la possibilità di regolare la corrente di fondo scala, al posto di RREF, può essere inserita la serie di una resistenza e un trimmer, come in figura.

La figura seguente mostra la connessione consigliata per la regolazione della corrente di fondo scala.

In quest'altra figura sono indicate le variazioni circuitali necessarie per l'impiego di una tensione di riferimento negativa. Il valore di IFS viene sempre fissato da RREF.

 

WB01343_.GIF (599 byte)                  WB01345_.GIF (616 byte)                  WB01345_.GIF (616 byte)